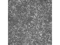
EL4小鼠淋巴瘤细胞
细胞编号: C5009
细胞缩写: EL4细胞
细胞名称: EL4(小鼠淋巴瘤细胞)
详细背景: EL4是从用9,10-二甲基-1,2-苯并蒽在C57BL小鼠中诱导的淋巴瘤中建立的。能抗0.1mM氢化可的松,对20mcg/ml PHA敏感。还有一个亚株(EL4.IL-2)可以生成高水平的IL-2。检测(http://www.chemdrug.com/sell/76/)表明肢骨发育畸形病毒(鼠痘)阴性。
细胞来源: 细胞主要来源ATCC、DSMZ、ECACC、RIKEN、promocell、ScienCell、ECACC、JCRB、KCLB、Asterand、ICLC以及少数国内外*大学建系
"购买细胞注意事项:
1. 收到细胞后*先观察细胞瓶是否完好,培养液是否有漏液、浑浊等现象,若有上述现象发生请及时和我们联系。
2. 仔细阅读细胞说明书,EL4小鼠淋巴瘤细胞了解细胞相关信息,如细胞形态、所用培养基、血清比例、所需细胞因子等。
3. 用75%酒精擦拭细胞瓶表面,显微镜下观察细胞状态。因运输问题贴壁细胞会有少量从瓶壁脱落,将细胞置于培养箱内静置培养过夜,隔天再取出观察。此时多数细胞均会贴壁,若细胞仍不能贴壁请用台盼蓝染色测定细胞活力,如果证实细胞活力正常,请将细胞离心后用新鲜培养基再次贴壁培养;如果染色结果显示细胞无活力,请拍下照片及时和我们联系,信息确认后我们为您再免费寄送一次。
细胞规格: 1*10(5)/ml——1*10(6)/ml
安全水平: 1
细胞种属: 小鼠
组织来源: T淋巴细胞;淋巴瘤
细胞形态: 淋巴母细胞样
细胞特性: 悬浮
细胞融合度: 95%(Viability by Trypan Blue Exclusion)
细胞检测: 细胞不含有HIV-1、HBV、HCV、支原体、细菌、酵母和真菌
"细胞培养三不要:
养科研细胞是生物医学研究的基本功。有三个小经验可以和大家分享一下:
1. 不要烧瓶口。大多数人都喜欢在酒精灯的火焰上关瓶子,觉得这样可以避免污染。不知道大家是不是有培养基怎么越用越发紫的困惑?知道为什么吗?烧瓶口烧的。培养基一般都是用碳酸/碳酸氢跟作缓冲体系。瓶口在火焰上的时候,炽热的空气进入瓶内。塞紧塞子放入冰箱后,空气变冷,压力骤降,培养基中的碳酸就会转化成二氧化碳,释放出来。培养基中的碳酸少了,当然会变碱。如果不烧瓶口的话,你会发现培养液变碱的速度会大大减慢。(当然多多少少还是会有一点越用越碱,因为室温还是比冰箱内的温度高)
其实烧瓶口防止污染纯粹是心理安慰。不妨试一下把手指在火上晃几下,你会发现根本就不会烧疼。如果有细菌的话,这么晃两下也烧不死多少。要想烧死全部细菌,除非把瓶口和塞子烧红。我在国内从来就不烧瓶口。来美国以后发现这里更*,超净台内根本就不点酒精灯。
2. 不要频繁看细胞。EL4小鼠淋巴瘤细胞对于初学者而言,养细胞就像养孩子一样,有空就要去看看。细胞越是养不好,就越是经常去看。实际上看细胞对细胞的生长没有任何好处,特别是对原代细胞或是免疫磁珠分选后,密度特别低的细胞。培养基中的生长因子是非常有限的。细胞好不容易自分泌一点儿促生长的因子在其周围,形成有利于生长的局部环境。你跑去看细胞,培养瓶这么一晃,把因子都给晃散了。经常可以看到新手一天到晚都在看细胞,细胞老是长不好。老手细胞一扔好几天不管,细胞疯长。
3. 不要怕消化。在传代的时候,初学者往往生怕细胞消化过度,早早地终止消化。细胞没下来就使劲吹灯,吹得满瓶子都是气泡。在我看来,用力吹打对细胞的损伤比消化更大。我师兄在做血管平滑肌原代的时候,37度消化过夜,细胞也没事。我一般是等细胞完全变圆后才中止消化。细胞轻轻一晃就能下来。还有,动作要轻柔,尽量不要产生气泡。气泡在破裂时的机械(http://www.chemdrug.com/sell/22/)应力相当大,对细胞的伤害也是很大的。" 详见细胞说明书
传代方法: 建议1:2-1:3 两天换液一次
冻存条件: 详见细胞说明书
主要文献: 请具体查阅相关发表文章
细胞培养方面注意的几点:
无菌意识要强:实验进行前,超净台以紫外灯照射30分钟灭菌,以70 % ethanol擦拭无菌操作抬面,并开启超净工作台风扇运转数分钟后,才开始实验操作。
每次操作只处理一株细胞株,以避免失误混淆或细胞间污染。实验完毕后,将实验物品带出工作台,以70 % ethanol擦拭无菌操作抬面。
无菌操作工作区域应保持清洁及宽敞,必要物品,例如支架、吸管等公用物品可以暂时放置,其它个人实验用品用完应立即拿出。实验用品以70%乙醇擦拭后才带入无菌操作台内。实验操作应在中央无菌区域,一般勿在边缘区域操作。
小心取用无菌之实验物品,避免造成污染。勿碰触吸管尖头部或是容器瓶口,亦不要在打开之容器正上方操作实验。容器打开后,以手夹住瓶盖并握住瓶身,倾斜约 45°角取用,尽量勿将瓶盖盖口朝上放置桌面。
EL4小鼠淋巴瘤细胞选择正确的培养基:不同的细胞可能培养基不同,甚*不同的文献可能对相同的细胞培养基成分也是可能不同的。如我当时培养神经干细胞,有文献就选用neurobase培养基,而我的实验目的主要是做抗氧化和氧化方面的,而这种培养基中含有抗氧化剂成分,此时,我就不得不选择另外一种不含抗氧化剂的培养基。
瓶装血清一定要逐步解冻: 4℃冰箱全溶后再分装,在溶解过程中须规则摇晃均匀(小心勿造成气泡),使温度与成分均一,减少沉淀的发生。勿直接由–20℃直接*37℃ 解冻,因温度改变太大,容易造成蛋白质凝结而发生沉淀。
热灭活是指56℃,30分钟加热已完全解冻之血清。水浴锅升到56℃后,将血清放入,待温度升高到56℃后计时,一般5分钟左右规则摇晃均匀一次。此热处理之目的是使血清中之补体成份去活化。除非必须,一般不要作此热处理,因为会造成沉淀物之**增多,且会影响血清之品质。注意更换新血清(包括不同批次)对细胞的影响。C7170 CMK细胞系 ,公司提供背景资料、生物体、生长特性、来源、器官、类型、形态、培养条件、应用、系、疾病、组织、冻存条件等复苏及冻存说明书信息,我们拥有丰富的细胞系培养经验,能提供细胞培养全方位的技术支持,让您实验再无烦扰!
无菌意识要强:实验进行前,超净台以紫外灯照射30分钟灭菌,以70 % ethanol擦拭无菌操作抬面,并开启超净工作台风扇运转数分钟后,才开始实验操作。
每次操作只处理一株细胞株,以避免失误混淆或细胞间污染。实验完毕后,将实验物品带出工作台,以70 % ethanol擦拭无菌操作抬面。
无菌操作工作区域应保持清洁及宽敞,必要物品,例如支架、吸管等公用物品可以暂时放置,其它个人实验用品用完应立即拿出。实验用品以70%乙醇擦拭后才带入无菌操作台内。实验操作应在中央无菌区域,一般勿在边缘区域操作。
小心取用无菌之实验物品,避免造成污染。勿碰触吸管尖头部或是容器瓶口,亦不要在打开之容器正上方操作实验。容器打开后,以手夹住瓶盖并握住瓶身,倾斜约 45°角取用,尽量勿将瓶盖盖口朝上放置桌面。
EL4小鼠淋巴瘤细胞选择正确的培养基:不同的细胞可能培养基不同,甚*不同的文献可能对相同的细胞培养基成分也是可能不同的。如我当时培养神经干细胞,有文献就选用neurobase培养基,而我的实验目的主要是做抗氧化和氧化方面的,而这种培养基中含有抗氧化剂成分,此时,我就不得不选择另外一种不含抗氧化剂的培养基。
瓶装血清一定要逐步解冻: 4℃冰箱全溶后再分装,在溶解过程中须规则摇晃均匀(小心勿造成气泡),使温度与成分均一,减少沉淀的发生。勿直接由–20℃直接*37℃ 解冻,因温度改变太大,容易造成蛋白质凝结而发生沉淀。
热灭活是指56℃,30分钟加热已完全解冻之血清。水浴锅升到56℃后,将血清放入,待温度升高到56℃后计时,一般5分钟左右规则摇晃均匀一次。此热处理之目的是使血清中之补体成份去活化。除非必须,一般不要作此热处理,因为会造成沉淀物之**增多,且会影响血清之品质。注意更换新血清(包括不同批次)对细胞的影响。C7170 CMK细胞系 ,公司提供背景资料、生物体、生长特性、来源、器官、类型、形态、培养条件、应用、系、疾病、组织、冻存条件等复苏及冻存说明书信息,我们拥有丰富的细胞系培养经验,能提供细胞培养全方位的技术支持,让您实验再无烦扰!
C7090 CloudmanS91细胞系 ,公司提供背景资料、生物体、生长特性、来源、器官、类型、形态、培养条件、应用、系、疾病、组织、冻存条件等复苏及冻存说明书信息,我们拥有丰富的细胞系培养经验,能提供细胞培养全方位的技术支持,让您实验再无烦扰!
C7180 CL-40细胞系 ,公司提供背景资料、生物体、生长特性、来源、器官、类型、形态、培养条件、应用、系、疾病、组织、冻存条件等复苏及冻存说明书信息,我们拥有丰富的细胞系培养经验,能提供细胞培养全方位的技术支持,让您实验再无烦扰!
C7179 CL-34细胞系 ,公司提供背景资料、生物体、生长特性、来源、器官、类型、形态、培养条件、应用、系、疾病、组织、冻存条件等复苏及冻存说明书信息,我们拥有丰富的细胞系培养经验,能提供细胞培养全方位的技术支持,让您实验再无烦扰!
C0236 CL187/CCL187细胞系 ,公司提供背景资料、生物体、生长特性、来源、器官、类型、形态、培养条件、应用、系、疾病、组织、冻存条件等复苏及冻存说明书信息,我们拥有丰富的细胞系培养经验,能提供细胞培养全方位的技术支持,让您实验再无烦扰!
C0235 CL-11细胞系 ,EL4小鼠淋巴瘤细胞公司提供背景资料、生物体、生长特性、来源、器官、类型、形态、培养条件、应用、系、疾病、组织、冻存条件等复苏及冻存说明书信息,我们拥有丰富的细胞系培养经验,能提供细胞培养全方位的技术支持,让您实验再无烦扰!
C1467 CL-1细胞系 ,公司提供背景资料、生物体、生长特性、来源、器官、类型、形态、培养条件、应用、系、疾病、组织、冻存条件等复苏及冻存说明书信息,我们拥有丰富的细胞系培养经验,能提供细胞培养全方位的技术支持,让您实验再无烦扰!
C5084 Cl.Ly1+2-/9细胞系 ,公司提供背景资料、生物体、生长特性、来源、器官、类型、形态、培养条件、应用、系、疾病、组织、冻存条件等复苏及冻存说明书信息,我们拥有丰富的细胞系培养经验,能提供细胞培养全方位的技术支持,让您实验再无烦扰!
C0233 CIK细胞系 ,公司提供背景资料、生物体、生长特性、来源、器官、类型、形态、培养条件、应用、系、疾病、组织、冻存条件等复苏及冻存说明书信息,我们拥有丰富的细胞系培养经验,能提供细胞培养全方位的技术支持,让您实验再无烦扰!
C0232 CHSE细胞系 ,公司提供背景资料、生物体、生长特性、来源、器官、类型、形态、培养条件、应用、系、疾病、组织、冻存条件等复苏及冻存说明书信息,我们拥有丰富的细胞系培养经验,能提供细胞培养全方位的技术支持,让您实验再无烦扰!
C0231 CHRF细胞系 ,公司提供背景资料、生物体、生长特性、来源、器官、类型、形态、培养条件、应用、系、疾病、组织、冻存条件等复苏及冻存说明书信息,我们拥有丰富的细胞系培养经验,能提供细胞培养全方位的技术支持,让您实验再无烦扰!
C1466 CHP-212细胞系 ,公司提供背景资料、生物体、生长特性、来源、器官、类型、形态、培养条件、应用、系、疾病、组织、冻存条件等复苏及冻存说明书信息,我们拥有丰富的细胞系培养经验,能提供细胞培养全方位的技术支持,让您实验再无烦扰!
C0230 CHP-126细胞系 ,公司提供背景资料、生物体、生长特性、来源、器官、类型、形态、培养条件、应用、系、疾病、组织、冻存条件等复苏及冻存说明书信息,我们拥有丰富的细胞系培养经验,能提供细胞培养全方位的技术支持,让您实验再无烦扰!
C0229 CHP-100细胞系 ,公司提供背景资料、生物体、生长特性、来源、器官、类型、形态、培养条件、应用、系、疾病、组织、冻存条件等复苏及冻存说明书信息,我们拥有丰富的细胞系培养经验,能提供细胞培养全方位的技术支持,让您实验再无烦扰!
C1465 CHO-S细胞系 ,公司提供背景资料、生物体、生长特性、来源、器官、类型、形态、培养条件、应用、系、疾病、组织、冻存条件等复苏及冻存说明书信息,我们拥有丰富的细胞系培养经验,能提供细胞培养全方位的技术支持,让您实验再无烦扰!
C5023 CHO-K1细胞系 ,公司提供背景资料、生物体、生长特性、来源、器官、类型、形态、培养条件、应用、系、疾病、组织、冻存条件等复苏及冻存说明书信息,我们拥有丰富的细胞系培养经验,能提供细胞培养全方位的技术支持,让您实验再无烦扰!
C1464 CHO-dhFr-细胞系 ,公司提供背景资料、生物体、生长特性、来源、器官、类型、形态、培养条件、应用、系、疾病、组织、冻存条件等复苏及冻存说明书信息,我们拥有丰富的细胞系培养经验,能提供细胞培养全方位的技术支持,让您实验再无烦扰!
C5066 CHO/dhFr-细胞系 ,公司提供背景资料、生物体、生长特性、来源、器官、类型、形态、培养条件、应用、系、疾病、组织、冻存条件等复苏及冻存说明书信息,我们拥有丰富的细胞系培养经验,能提供细胞培养全方位的技术支持,让您实验再无烦扰!
C0226 CHO细胞系 ,公司提供背景资料、生物体、生长特性、来源、器官、类型、形态、培养条件、应用、系、疾病、组织、冻存条件等复苏及冻存说明书信息,我们拥有丰富的细胞系培养经验,能提供细胞培养全方位的技术支持,让您实验再无烦扰!
C0225 CHMAS细胞系 ,公司提供背景资料、生物体、生长特性、来源、器官、类型、形态、培养条件、应用、系、疾病、组织、冻存条件等复苏及冻存说明书信息,我们拥有丰富的细胞系培养经验,能提供细胞培养全方位的技术支持,让您实验再无烦扰!
C5093 CHL/IU[CHL-11]细胞系 ,公司提供背景资料、生物体、生长特性、来源、器官、类型、形态、培养条件、应用、系、疾病、组织、冻存条件等复苏及冻存说明书信息,我们拥有丰富的细胞系培养经验,能提供细胞培养全方位的技术支持,让您实验再无烦扰!
C0223 CHL细胞系 ,公司提供背景资料、生物体、生长特性、来源、器官、类型、形态、培养条件、应用、系、疾病、组织、冻存条件等复苏及冻存说明书信息,我们拥有丰富的细胞系培养经验,能提供细胞培养全方位的技术支持,让您实验再无烦扰!
C7192 CHANGLIVER细胞系 ,公司提供背景资料、生物体、生长特性、来源、器官、类型、形态、培养条件、应用、系、疾病、组织、冻存条件等复苏及冻存说明书信息,我们拥有丰富的细胞系培养经验,能提供细胞培养全方位的技术支持,让您实验再无烦扰!
C0222 Chang liver细胞系 ,公司提供背景资料、生物体、生长特性、来源、器官、类型、形态、培养条件、应用、系、疾病、组织、冻存条件等复苏及冻存说明书信息,我们拥有丰富的细胞系培养经验,能提供细胞培养全方位的技术支持,让您实验再无烦扰!
C1462 ChaGo-K-1细胞系 ,公司提供背景资料、生物体、生长特性、来源、器官、类型、形态、培养条件、应用、系、疾病、组织、冻存条件等复苏及冻存说明书信息,我们拥有丰富的细胞系培养经验,能提供细胞培养全方位的技术支持,让您实验再无烦扰!
C0220 CFSC-8B细胞系 ,公司提供背景资料、生物体、生长特性、来源、器官、类型、形态、培养条件、应用、系、疾病、组织、冻存条件等复苏及冻存说明书信息,我们拥有丰富的细胞系培养经验,能提供细胞培养全方位的技术支持,让您实验再无烦扰!
C0218 CFSC-2G细胞系 ,公司提供背景资料、生物体、生长特性、来源、器官、类型、形态、培养条件、应用、系、疾病、组织、冻存条件等复苏及冻存说明书信息,我们拥有丰富的细胞系培养经验,能提供细胞培养全方位的技术支持,让您实验再无烦扰!
C4127 CFPAC-1细胞系 ,公司提供背景资料、生物体、生长特性、来源、器官、类型、形态、培养条件、应用、系、疾病、组织、冻存条件等复苏及冻存说明书信息,我们拥有丰富的细胞系培养经验,能提供细胞培养全方位的技术支持,让您实验再无烦扰!
C1461 CEM-SS-2细胞系 ,公司提供背景资料、生物体、生长特性、来源、器官、类型、形态、培养条件、应用、系、疾病、组织、冻存条件等复苏及冻存说明书信息,我们拥有丰富的细胞系培养经验,能提供细胞培养全方位的技术支持,让您实验再无烦扰!
C0216 CEM-C7细胞系 ,公司提供背景资料、EL4小鼠淋巴瘤细胞生物体、生长特性、来源、器官、类型、形态、培养条件、应用、系、疾病、组织、冻存条件等复苏及冻存说明书信息,我们拥有丰富的细胞系培养经验,能提供细胞培养全方位的技术支持,让您实验再无烦扰!
C1460 CEM-3G-2细胞系 ,公司提供背景资料、生物体、生长特性、来源、器官、类型、形态、培养条件、应用、系、疾病、组织、冻存条件等复苏及冻存说明书信息,我们拥有丰富的细胞系培养经验,能提供细胞培养全方位的技术支持,让您实验再无烦扰!
C0215 CEM/C1细胞系 ,公司提供背景资料、生物体、生长特性、来源、器官、类型、形态、培养条件、应用、系、疾病、组织、冻存条件等复苏及冻存说明书信息,我们拥有丰富的细胞系培养经验,能提供细胞培养全方位的技术支持,让您实验再无烦扰!
C0214 CEM细胞系 ,公司提供背景资料、生物体、生长特性、来源、器官、类型、形态、培养条件、应用、系、疾病、组织、冻存条件等复苏及冻存说明书信息,我们拥有丰富的细胞系培养经验,能提供细胞培养全方位的技术支持,让您实验再无烦扰!
C0212 CEL细胞系 ,公司提供背景资料、生物体、生长特性、来源、器官、类型、形态、培养条件、应用、系、疾病、组织、冻存条件等复苏及冻存说明书信息,我们拥有丰富的细胞系培养经验,能提供细胞培养全方位的技术支持,让您实验再无烦扰!

